TIME DISTRIBUTION IN THE BRITISH POST OFFICE
AN OVERVIEW


This is a very basic overview and not intended as a definitive description. The operational details were taken from the Technical Instruction on Clocks dated 1927.

Accurate time was not an issue in the UK until the introduction of the railways in the 1830's, which found that the various local times in use around the country, which varied by up to 30 minutes, were not conducive for the production of timetables on infrastructure that crossed the UK.  The railways needed to standardise time.  Electric clocks were introduced in the 1840's and telegraphy circuits sent time signals to stations and Post Offices situated close to the new railways.

Greenwich Mean Time (GMT) was adopted as the standard in the UK in 1880 and worldwide in 1884, which made life a lot easier.

The Post Office obviously used GMT and this was essential for the regulations and paperwork supporting the UK wide Telegraph system.  Originally time signals would be sent in coded format by Morse code.  Click here for the instruction.

The Central Telegraph Office (CTO) in London was fitted with a Control Clock and Chronopher (An instrument for transmitting records of time (as by a standard clock), by means of electricity, to distant points) which was synchronised by means of a mechanism attached to the Mean Time Clock at Greenwich Observatory.  The Greenwich Observatory sent an electrical signal, at selected times, through an underground wire.  For security of service, a second underground wire on a different route was always available between the Observatory and the CTO.  The Greenwich Observatory sent time signals at 10.00 and 13.00 hours, which were monitored to ensure receipt at the CTO.

The CTO Chronopher was then used to distribute time signals to; Distribution centres, Telegraph offices in the UK, Big Ben, Admiralty time balls, Railway Termini and private businesses that paid for a GMT connection.

After receipt of the 13.00 signal, an additional operation then sent a signal to the Admiralty Stations.  At the Admiralty Stations the signal operated time balls; at Deal (at 1h 0m 10s), Portsmouth (at 1h 0m 20s), Portland (at 1h 0m 30s) and Plymouth (at 1h 0m 39s).  In all cases a signal was returned as proof of receipt.

In the event of a 13.00 hour signal not being sent, a special signal would be sent at 14.00 hours.  The CTO could also patch the circuits to a 14.00 hour signal as a temporary expediency.

Private businesses were supplied with a wires only circuit and they would have to provide their own receivers.  These receivers would normally earth the incoming wires to ensure that no spurious voltages interfered with the time system.  This earth would be removed just prior to any signal received and replaced soon afterwards.

The CTO Chronopher also sent signals every hour.

At each Distribution centre the received time signals actuate a sub-chronopher which is similar too but smaller the main CTO chronopher.  The sub-chronopher distributes the signal to the local telegraph circuits in the same way as the CTO chronopher distributes to the sub-chronophers.

Many Post Office buildings and exchanges also had their own control clock which synchronised with the CTO.  These control clocks were connected to the internal building clocks, via a relay, to ensure GMT uniformity.  The building clocks were 30 second pulse clocks.  Where no synchronisation was available, a switch next to the control clock would be used to advance or retard the building clocks.  These systems were supported by a battery backup.

In 1927 the Rugby Radio Station transmitted time signals which enabled shipping all over the world to synchronise their chronometers with GMT.  GMT was fed from Greenwich to the CTO and then onward to Rugby, a distance of 94 miles.

There are Galvanometers on each circuit and these are sensitive devices that respond to current on the circuits, showing if the circuits are working or not.

CTO Control Clock for the main Chronopher
The Chronopher control clock, which is an electrically-driven seconds-beating pendulum, operates certain contacts every hour. The most important hours of operation are 10.0 a.m. and 1.0 p.m. when the Greenwich time signals arc transmitted.  The arrangement of the internal mechanism is shown in the illustration below.

At two minutes to the hour a contact is made and a battery brought into action which operates the relays, thus disconnecting the time-wires from their working sets and preparing the way for the passage of the time signal at the hour. This battery current is known as the "Preliminary" and its object is to warn the various offices and renters to prepare for the actual time signal. Exactly at the hour, Greenwich Observatory sends the Time signal in the form of a current, the duration of which is one second in the reverse direction to that of the "Preliminary" signal of the control clock. When the Time signal has passed, the preliminary current is restored for a further period of 2 minutes 8 seconds.  At 1 p.m., however, an additional operation takes place after the Time signal has passed.

At certain Admiralty Stations, viz. Portsmouth, Portland and Plymouth, switching arrangements are introduced to enable these stations to send a return signal or acknowledgment to Greenwich for the purpose of enabling the Observatory to check the performance of the clocks at the stations. In order that this may be done, the preliminary current is cut off at 5 seconds after 1 p.m. leaving the line clear for the transmission of the return signals. At 1hr 1m 20s the preliminary current is restored until 1h 2m 8s, when the lines arc again transferred to their working sets.

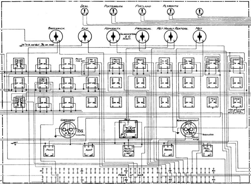
The Chronopher
The Chronopher control clock, which has a slight gaining rate, operates the Relays No. 90A (RI) preparatory to the passage of the Greenwich Mean Time signal, thus bunching the lines over which the signal has to be transmitted and sending through them a current from the positive pole of an 80-volt battery via the armatures of the transmitting relaying sounders B.S. This positive current gives the preliminary or warning signal. At exactly 10.0 a.m. the G.M.T. signal, passing through the non-polarized relay R2, moves the tongue to the left-hand contact, thereby putting "Earth" on the electromagnet circuits of the relaying sounders, actuating their armatures and causing a. reversal of the current on all the lines. In addition, the synchronization of the control clock is effected. On the cessation of the current the Relays No. 90A are de-energized and the lines restored to their working sets.

In the case of Admiralty circuits, Indicator I shows the transmission through R3 of return acknowledgment signals to Greenwich.

 

  

CTO Control Clock and Chronopher (Dated 1927)

 

 

Circuit diagram of the CTO Chronopher (Dated 1927)
This diagram also names the component parts and what circuits they control

 

Clock Menu - Distribution of GMT

Central Telegraph Office (CTO) Menu


Pictures

CTO Chronopher - 1912

 

CTO - Basement Test Room - 1928
Showing the Chronopher Control Clock to the left
The cabinet, on the table, in the middle of the picture is the Chronopher

 

CTO Chronopher for the Rugby Circuit - 1928

 

 
BACK Home page Police systems Main Page Search the Site Glossary of Telecom Terminology Quick Find All Telephone Systems

Last revised: July 13, 2025

FM2