|
New Intercommunication Telephones
July 1953
One of the most effective means of inter-office telephone communication, where a relatively small number of lines is required, is the intercommunication system, which establishes immediate connection on the pressure of a button, and needs no switchboard operator or automatic dial. This direct-connection feature has undoubtedly been responsible for the popularity of the intercommunication system, both in the small business house and in larger establishments where it is often installed as a supplementary direct-call system solely for the use of executives.
The Company's metal-cased intercommunication telephones, type N1620, first produced in 1929, have proved very satisfactory in service, as is shown by the consistently large numbers of these instruments sold each year up to the present time; but it was considered desirable to introduce a new design which would conform more closely to current telephone development and enable the latest production methods and materials to be used.
Whilst the new telephones differ considerably in external appearance from the
old types and, indeed, from contemporary designs, they retain from earlier models those features which many years of experience in production, installation and maintenance have shown to be advantageous.
 |
 |
| Fig. 1 - Table Telephone (N1636) |
Fig. 2 - Wall Telephone (N1637) |
The code numbers allocated to the complete range of these instruments, which comprise table and wall sets equipped for live, ten or fifteen lines, are listed at the end of this article. The form of the table set is Registered Design No. 868705, that of the wall set, No. 868704.
The new set is operated in the same way as the old : to ring the desired station, the caller need only
lift the micro-telephone and press the appropriate selector button to its full extent ; the called station, to reply, has only to lift the micro-telephone. The selector button, having been pressed to its full extent, is retained in an intermediate position to maintain the correct circuit conditions, and is automatically restored to normal when the caller replaces the microtelephone or presses the button of another station with which communication is desired.
 |
 |
| Fig. 3 - Reversible Cradle Feature |
Fig. 4 - View with Case removed. R.H. side |
In order to provide maximum flexibility, the table telephone has been made adaptable for wall mounting (Figs. 1 and 2) without the addition or abstraction of a single part. This dual purpose has been very simply achieved by making one half of the microtelephone cradle reversible, an arrangement demonstrated in the composite photograph, Fig. 3. The operation of conversion calls for no special skill or tools, and is performed by disengaging two nuts and screws. In the development of this innovation, as in that of the whole instrument, appearance and function have received equal consideration, and at no point has one been sacrificed for the benefit of the other.
A feature which simplifies production considerably is the arrangement of the selector button mechanisms. These are assembled and stocked in
pre-wired units of five, ready for insertion in the telephone, so that the assembly and wiring of the latter is greatly facilitated.
The base of the instrument is moulded in a very strong plastic material and carries all the components. Simple inserts are moulded in to provide the common terminal connections shown in Figs. 4 and 5; should it be more convenient to take the external wiring through the baseplate (as in the installation of the wall set), apertures can be made by knocking out a thin wall specially incorporated in the moulding for this eventuality. Rubber feet are secured to the base by means of tubular rivets which serve also as fixing screw holes when the telephone is mounted on a wall.
Each five-way selector button unit has a small terminal block at one end (Figs. 5 and 6) to permit the direct connection of the external wires.
This arrangement considerably reduces the amount of internal wiring, as formerly the full complement of
terminals had to be provided, whatever the number of lines equipped. (Fig. 7, which shows the respective wire forms for the old and new type instruments, illustrates this improvement). The ivory-coloured push buttons, moulded in a shape which harmonizes with the external appearance of the telephone, have a larger surface area than the old metal buttons, thus making for surer and easier operation, as there is less tendency for the finger to slip.
 |
 |
Fig. 5 - View with Case removed. L.H. side
|
Fig. 6 - Push Button Units with and without Springsets for Master Station lines
|
Nickel silver is used for the inter-connecting springs ; a reliable contact is ensured by adequate tension coupled with the sliding action of the plunger, and excessive wear is prevented by restricting the maximum spring tension. The latching and automatic release of the selector button is simply effected by a hinged bracket, made of nonferrous material to prevent corrosion. Fitted on each selector button unit is a yellow paper label bearing black printed numbers for designating the buttons, each number being separated from its neighbour by a vertical black line. The label is viewed through a window of transparent plastic material fitted in a moulded cover (Fig. 8) which protects the mechanisms and is pierced as required for five, ten or fifteen buttons. As the surface of the window is convex, it is easily kept free of dust and also tends to magnify the numbers beneath. A printed combined Instruction/Directory card is supplied with each instrument.
 |
 |
| Fig. 7 - Comparison between Local Cables for New and Old Type Instruments |
Fig. 8 - Moulded Covers for Push Button Mechanisms
|
The main circuit conditions necessary for communication are established by the operation of a springset by means of the cradle plungers and selector buttons. One
simple unit (Fig. 9) provides the mechanism for this purpose ; it comprises the springset, the inner and outer levers operating the contacts and linking with the selector button units, and a further member which follows the cradle plunger movement (in either the wall or the table set position) and transfers it to the outer springset operating lever. Very careful consideration has been given to the profiles of the engaging surfaces and to centre distances and arcs of movement, in order to ensure a rolling rather than a sliding action between the metal parts. Rollers are fitted on the moving contact
of up to twenty-five terminals, and a moulded cover fixed by a centre screw. To avoid unnecessary cost, terminals are fitted only in the positions needed for the telephone concerned ; the terminal bushes are inserted into these selected apertures and fixed by circlips, the individual terminals being separated from one another by insulating partitions which form part of the block moulding.
A desk terminal block (Fig. 10) is supplied with the table telephones, in matching colour. It comprises a die-cast base, a moulded block with holes for the insertion
 |
 |
| Fig. 9 - Cradle Springset Unit |
Fig. 10 - Exploded View of Desk Terminal Block |
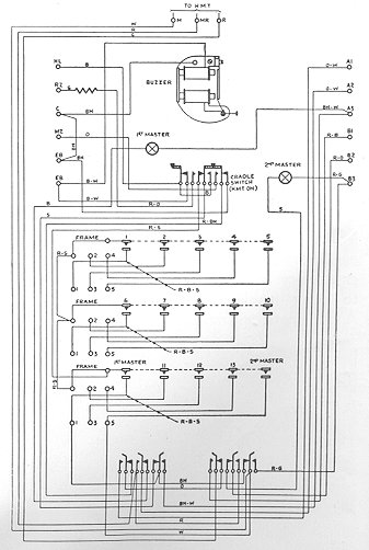
The wire used for the internal connections of the telephones is insulated with p.v.c., experience having shown it to be superior to other insulants under all conditions. A schematic/wiring diagram of the connections
for a standard 15-line telephone is shown in Fig. 11.
 |
| Fig. 11 - Circuit for 15-Line Intercom Telephone |
The standard telephones make provision for five, ten or fifteen lines, but others are available for operation in conjunction with loudspeaker master station telephones. A
typical side station instrument of this type, equipped for eight ordinary and two master station lines, is illustrated in Fig. 12. The master station lines require additional springsets, and these are mounted on the brackets at either end of a particular selector button unit in the manner shown in Fig. 6,the contacts being operated by an extension screwed on to the selector button plunger. The buttons for the
springs, and dry graphite films are used to reduce friction at points where sliding action does occur, so that there will be a very low rate of wear and correspondingly iow maintenance costs. The springset is easily accessible for inspection or for any slight adjustment that may be required in service.
The calling signal is made by a buzzer fixed on the moulded base in a position chosen to permit easy maintenance adjustments.
The telephone case is made from a high grade moulding material; the reversible half of the cradle moulding is made from the same material and is fitted with threaded bushes in which the plungers are held captive by means of a circlip. A light spring holds the plungers in the non-operated position. The bushes pass through the case moulding and the assembly is secured by
the instrument
hexagonal nuts, but to make the cradle fixing doubly secure, two additional screws are fastened through the case into threaded inserts in the moulding. The curved form of the case is pleasing to the eye, gives considerable strength to the structure, and facilitates production.
Both the desk cord of the table telephone and the micro-telephone cord have p.v.c. insulation on the conductors, and a close overall braiding which a moulded rubber sleeve protects from damage at the point where the cords enter the case of
the instrument.
The micro-telephone, of the same shape as the one designed for our new overseas type telephone, harmonizes well with the contours of the case; the speech reproduction characteristics of the electromagnetic receiver and the efficiency of the inset type transmitter are both of the highest order.
Master station lines always occupy the extreme left and right hand positions on the lowest unit, and are coloured red and green respectively. The call lamps associated with these two lines are fitted one on either side of the cradle springset, and bosses on the telephone casing are drilled to accommodate lamp caps of the same colour as the respective buttons.
These telephones are normally equipped for two master station lines and
three, eight or thirteen ordinary lines ; when only one master station is
installed, the associated button occupies the bottom left-hand end position, the
bottom right-hand button being then available for an additional ordinary line.
This article is principally concerned with intercommunication telephones, but it would not be complete without some reference to the 'call
and reply' telephones designed for use at stations that are either remote from the main installation or do not require full intercommunication facilities. At such stations, where it would be uneconomic to install an intercom type instrument and thus increase unnecessarily the length of the main multi-conductor
cable, the use of a call and reply telephone, connected by a 6-wire cable to the nearest main station, effects a considerable saving in cable cost.
Two types of call and reply telephones are available : one for association
with a main station of the ordinary intercom type illustrated in Figs. 1 and 2,
the other for association with a main (master) station of the loudspeaker type.
The remote station can be rung direct from any main station, but can only call the one
to which it is subsidiary; the call and reply telephones have direct communication only with the master station to which they are connected.
Intercommunication telephone systems are usually powered from a central battery of up to nine dry or inert cells, the number varying according to the requirements of the particular installation; the maximum of nine cells is dictated by the economic limit of the associated main cable, generally reckoned to be about 2,000 feet.
A battery eliminator may be preferred as the source of power when an a.c. supply is already available, although, with this arrangement, the telephone service may be interrupted by power cuts or breakdown of the mains supply.
These telephones have a pleasing external appearance in keeping with that of
the intercom telephones, and can be supplied in the same colours, i.e. black or ivory; but it is not our intention to describe them in detail, particularly as instruments of a
similar design form the subject of another article in this issue.
Installation presents few problems, the requisite cable, junction boxes,
extension bells, batteries, etc., being all standard items readily obtainable
from stock.
|