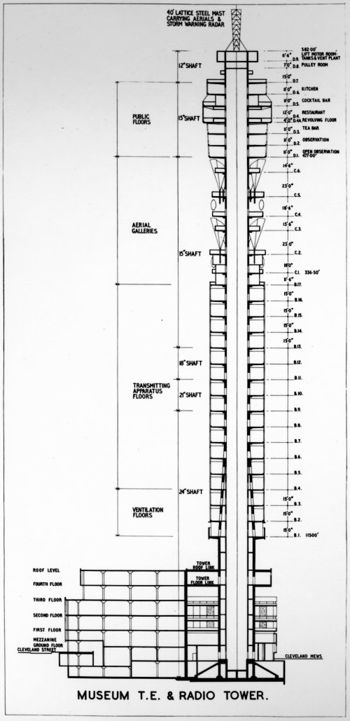
EQUIPMENT FLOORS


On the trunk of the tower, below the aerial galleries there are floors for ventilation and communication equipment.

On the very top of the tower is a floor that houses the lift motors and water tanks.

at the very top is a 40ft lattice aerial and a storm warning radar.

At the bottom of the picture, to the left is the Museum Telephone Exchange which was bridged to the tower.  This provided a secure access for staff and was also used to help stabilise the tower, to a small amount.


 

 

 

 
BACK Home page GPO Towers Menu Search the Site Glossary of Telecom Terminology GEC Telephone Quick Find All Telephone Systems

Last revised:

FM3